USD: 44.8157
EUR: 52.8089
| |

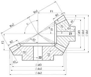
Düz - Helis Konik Dişli Hesabı

Ø D
adet
adet
°
dev/dk
°
dk
sn
Düz Helis Konik Dişli Hesaplama

HESAPLAMA SONUÇLARI

TOPLAM AÇISI (°)
-
DÖNDÜREN (Z1)DÖNDÜRÜLEN (Z2)
DİŞ ÜSTÜ ÇAPI (Øda1)
-
DİŞ ÜSTÜ ÇAPI (Øda2)
-
BÖLÜM DAİRESİ (Ødo1)
-
BÖLÜM DAİRESİ (Ødo2)
-
DİŞ DİBİ ÇAPI (Ødf1)
-
DİŞ DİBİ ÇAPI (Ødf2)
-
DİŞ GENİŞLİĞİ (B1)
-
DİŞ GENİŞLİĞİ (B2)
-
MERKEZ AÇISI (δ1)
-
MERKEZ AÇISI (δ2)
-
DİŞ ÜSTÜ AÇISI (α1)
-
DİŞ ÜSTÜ AÇISI (α2)
-
ARKA SIRT AÇISI (θ1)
-
ARKA SIRT AÇISI (θ2)
-
KONİ ANA DOĞRU UZUNLUĞU (Ra1)
-
KONİ ANA DOĞRU UZUNLUĞU (Ra2)
-
MERKEZ BÖLÜM DAİRE ARASI (F1)
-
MERKEZ BÖLÜM DAİRE ARASI (F2)
-
DAİRE - GÖBEK ÇIKINTI ARASI (G1)
-
DAİRE - GÖBEK ÇIKINTI ARASI (G2)
-
SANAL (İDEAL) DİŞ SAYISI (Zi1)
-
SANAL (İDEAL) DİŞ SAYISI (Zi2)
-
ORTAK DEĞERLER & DEVİR HESABI
EN BÜYÜK DİŞ DERİNLİĞİ (h)
-
İÇ MODÜL (mi)
-
İLETİM ORANI (Z2'NİN TURU)
-
Z2'NİN DEVRİ (dev/dk)
-
Z2'NİN 1 TURDA ALDIĞI YOL (mm)
-
Z'NİN 1 DAKİKADA ALDIĞI YOL (mm)
-
NOT: Sitemizin aracılığı ile kullanmış olduğunuz programlardan oluşabilecek hatalardan firmamız sorumlu değildir. Yapmış olduğunuz hesaplamaları kontrol etmeniz tavsiye edilmektedir.